Dodaj produkty podając kody
Dodaj plik CSV
Wpisz kody produktów, które chcesz zbiorczo dodać do koszyka (po przecinku, ze spacją lub od nowej linijki).
Powtórzenie wielokrotnie kodu, doda ten towar tyle razy ile razy występuje.
Etykieta


1201W125L0001 Frez nasadzany profilowy 1201 125x10/40 z=4.1 HM fazowanie krawędzi kątem 45°
Specyfikacja
Marka
Symbol
1201W125L0001
Dane podstawowe
Typ
1201
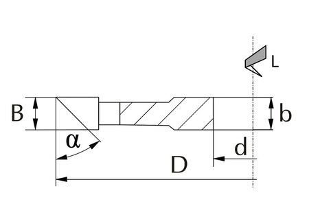
D [mm]
125
B [mm]
10
b[mm]
10
d[mm]
40
z
4.1
Typ ostrza
HM
Typ narzędzia
Frez nasadzany profilowy
Dane techniczne
skos
45°
Kierunek obrotów
Lewy
Zastosowanie
fazowanie krawędzi kątem 45°
Frezowanie
drewna twardego
drewna klejonego
sklejki
płyt wiórowych
płyt wiórowych okleinowanych
laminatów
płyt wiórowych fornirowanych
płyt MDF
Maksymalne obroty [obr/min]
9000
Posuw zalecany
MECH
Zapytaj o produkt
Napisz swoją opinię








