Dodaj produkty podając kody
Dodaj plik CSV
Wpisz kody produktów, które chcesz zbiorczo dodać do koszyka (po przecinku, ze spacją lub od nowej linijki).
Powtórzenie wielokrotnie kodu, doda ten towar tyle razy ile razy występuje.
Etykieta


FP0600W134-0010 Zestaw frezów profilowych FP-06 134x26-60/30 z=4.0 HM obustronne zaokrąglanie i fazowanie krawędzi 5/45°
Specyfikacja
Marka
Symbol
FP0600W134-0010
Dane podstawowe
Typ
FP-06
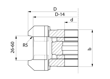
D [mm]
134
B [mm]
26-60
b[mm]
76
d[mm]
30
z
4.0
Typ ostrza
HM
Typ narzędzia
Zestaw frezów profilowych
Dane techniczne
R
5
skos
45°
Kierunek obrotów
-
Zastosowanie
obustronne zaokrąglanie i fazowanie krawędzi 5/45°
Frezowanie
drewna twardego
drewna klejonego
sklejki
płyt wiórowych
płyt wiórowych okleinowanych
laminatów
płyt wiórowych fornirowanych
płyt MDF
Maksymalne obroty [obr/min]
9000
Posuw zalecany
MECH
Zapytaj o produkt
Napisz swoją opinię











