Dodaj produkty podając kody
Dodaj plik CSV
Wpisz kody produktów, które chcesz zbiorczo dodać do koszyka (po przecinku, ze spacją lub od nowej linijki).
Powtórzenie wielokrotnie kodu, doda ten towar tyle razy ile razy występuje.
Etykieta


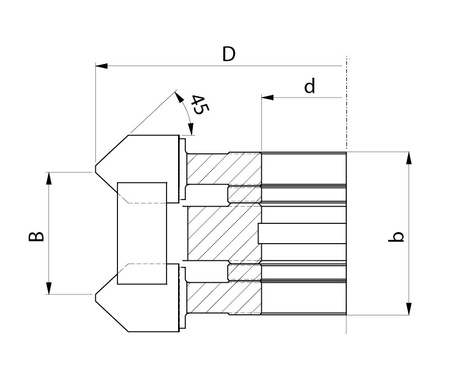
FP1600S134-0001 Zestaw frezów profilowych FP-16 134x16-36/40 z=4.0 HSS obustronne fazowanie krawędzi pod kątem 45°/45°
Specyfikacja
Marka
Symbol
FP1600S134-0001
Dane podstawowe
Typ
FP-16
D [mm]
134
B [mm]
16-36
b[mm]
52
d[mm]
40
z
4.0
Typ ostrza
HSS
Typ narzędzia
Zestaw frezów profilowych
Dane techniczne
skos
45°/45°
Kierunek obrotów
-
Zastosowanie
obustronne fazowanie krawędzi pod kątem 45°/45°
Frezowanie
drewna litego miękkiego
Maksymalne obroty [obr/min]
9000
Posuw zalecany
MECH
Zapytaj o produkt
Napisz swoją opinię









