Dodaj produkty podając kody
Dodaj plik CSV
Wpisz kody produktów, które chcesz zbiorczo dodać do koszyka (po przecinku, ze spacją lub od nowej linijki).
Powtórzenie wielokrotnie kodu, doda ten towar tyle razy ile razy występuje.
Etykieta


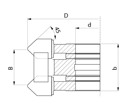
FP1600W134-0002 Zestaw frezów profilowych FP-16 134x16-36/40 z=4.0 HM obustronne fazowanie krawędzi pod kątem 45°/45°
Specyfikacja
Marka
Symbol
FP1600W134-0002
Dane podstawowe
Typ
FP-16
D [mm]
134
B [mm]
16-36
b[mm]
52
d[mm]
40
z
4.0
Typ ostrza
HM
Typ narzędzia
Zestaw frezów profilowych
Dane techniczne
skos
45°/45°
Kierunek obrotów
-
Zastosowanie
obustronne fazowanie krawędzi pod kątem 45°/45°
Frezowanie
drewna twardego
drewna klejonego
sklejki
płyt wiórowych
płyt wiórowych okleinowanych
laminatów
płyt wiórowych fornirowanych
płyt MDF
Maksymalne obroty [obr/min]
9000
Posuw zalecany
MECH
Zapytaj o produkt
Napisz swoją opinię









