Dodaj produkty podając kody
Dodaj plik CSV
Wpisz kody produktów, które chcesz zbiorczo dodać do koszyka (po przecinku, ze spacją lub od nowej linijki).
Powtórzenie wielokrotnie kodu, doda ten towar tyle razy ile razy występuje.
Etykieta


P107W125-0006 Frez nasadzany profilowy P-107 125x34/30 z=4.0 HM profilowanie półwałka promieniem R
Specyfikacja
Marka
Symbol
P107W125-0006
Dane podstawowe
Typ
P-107
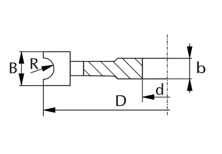
D [mm]
125
B [mm]
34
b[mm]
34
d[mm]
30
z
4.0
Typ ostrza
HM
Typ narzędzia
Frez nasadzany profilowy
Dane techniczne
R
12
Kierunek obrotów
-
Zastosowanie
profilowanie półwałka promieniem R
Frezowanie
drewna twardego
drewna klejonego
sklejki
płyt wiórowych
płyt wiórowych okleinowanych
laminatów
płyt wiórowych fornirowanych
płyt MDF
Maksymalne obroty [obr/min]
9000
Posuw zalecany
MECH
Zapytaj o produkt
Napisz swoją opinię






